- Produktbeskrivning
-
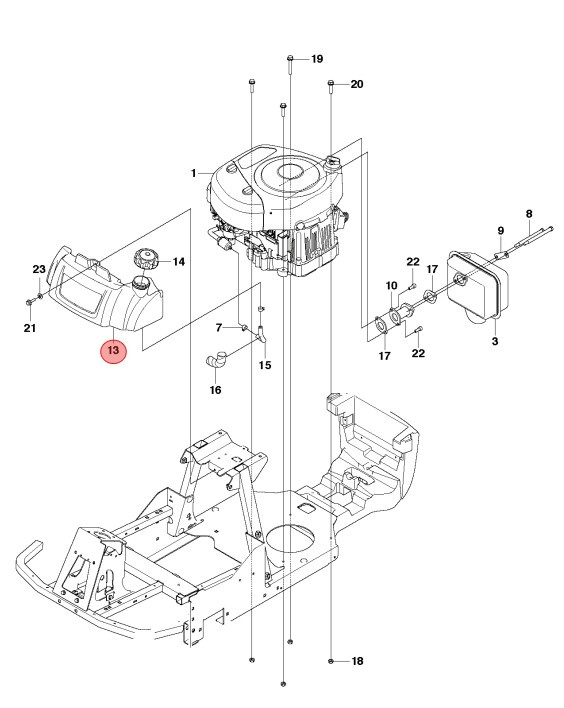
Bränsletank, 5779158-01
Reservdel från Husqvarna
Passar till bl.a:
McCulloch
McCulloch M105-85F (967186801)
McCulloch M105-97F (966725501, 967206801, 967207001)
McCulloch M125-85F (967295401)
McCulloch M125-85FH (967186901)
McCulloch M125-97FH (966725601, 967206901, 967207101)
Vill du söka bland Husqvarna sprängskisser & reservdelar? Använd då vår reservdelskatalog. Tryck här för att komma till reservdelskatalogen. Tänk på att du alltid ska säkerställa att artikelnumret blir rätt med hjälp av sprängskissen för din maskin. - Specifikationer
-
Tillverkarens artikelnummer: 577 91 58-01 , 577915801 - Filer
Prishistorik
Nedan finner du prishistorik för denna produkten de senaste 30 dagarna.
Vårt lägsta pris 1-30 dagar innan sänkning:

Sweden - SEK
Uk - GBP


