- Produktbeskrivning
-
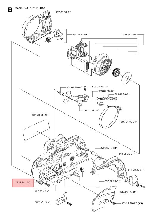
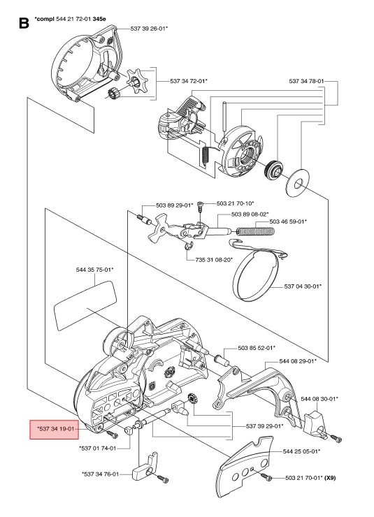
Kopplingskåpa Husqvarna 340, 350, 5373419-01
Reservdel från Husqvarna
Passar till bl.a:
Husqvarna 340 / E
Husqvarna 340/E
Husqvarna 350
Vill du söka bland Husqvarna sprängskisser & reservdelar? Använd då vår reservdelskatalog. Tryck här för att komma till reservdelskatalogen. Tänk på att du alltid ska säkerställa att artikelnumret blir rätt med hjälp av sprängskissen för din maskin. - Specifikationer
-
Tillverkarens artikelnummer: 537 34 19-01 , 537341901 - Filer
Prishistorik
Nedan finner du prishistorik för denna produkten de senaste 30 dagarna.
Vårt lägsta pris 1-30 dagar innan sänkning:

Uk - GBP
Sweden - SEK



