- Produktbeskrivning
-
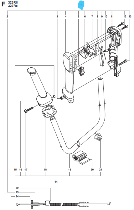
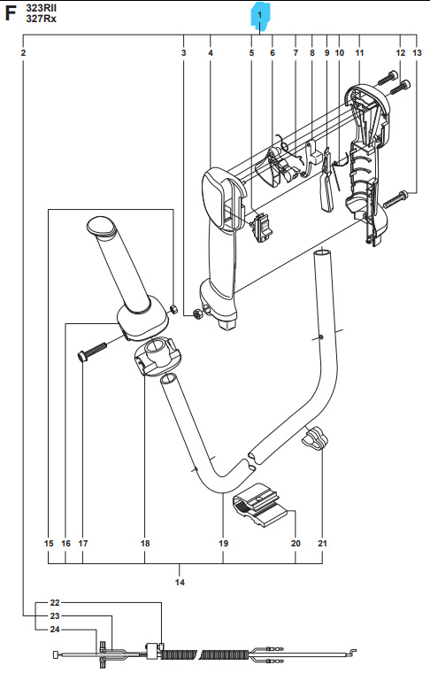
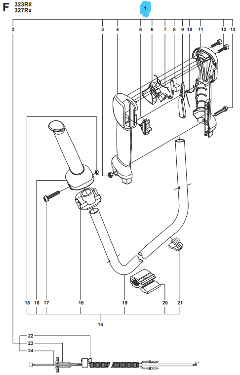
Handtagssyst Kpl, 5374245-11
Reservdel från Husqvarna
Passar till bl.a:
Husqvarna 323R II
Husqvarna 323RJ
Husqvarna 327LDX
Husqvarna 327LX
Husqvarna 327RDX
Husqvarna 327RJX
Husqvarna 327RX
Vill du söka bland Husqvarna sprängskisser & reservdelar? Använd då vår reservdelskatalog. Tryck här för att komma till reservdelskatalogen. Tänk på att du alltid ska säkerställa att artikelnumret blir rätt med hjälp av sprängskissen för din maskin. - Specifikationer
-
Tillverkarens artikelnummer: 537 42 45-11 , 537424511 - Filer
Prishistorik
Nedan finner du prishistorik för denna produkten de senaste 30 dagarna.
Vårt lägsta pris 1-30 dagar innan sänkning:

Uk - GBP
Sweden - SEK

