Are you in the right place?
Rem klippaggregat 48
Rem klippaggregat 48
Rem klippaggregat 48
Husqvarna Spare Parts
Artnr: 5321808-08

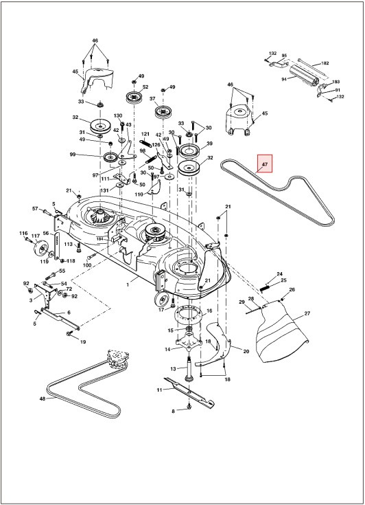
Rem klippaggregat 48" Husqvarna GTH250, GTH2548, YTH2048 mfl

 
Lägg i varukorgen
  • Produktbeskrivning
  • Rem, 5321808-08
    Reservdel från Husqvarna

    Passar till bl.a:
    Husqvarna GTH 250 XP (96021000100, GTH250, HEGTH250A, HEGTH250KA, HEGTH250KC, HEGTH250KD)
    Husqvarna GTH 2548 XP (HAU25H48A, HAU25H48B)
    Husqvarna YTH 1848 XP (96013000301, HAU18H48A, HAU18H48B, HAU18H48C, HAU18H48D, HAU18H48E, HAU18H48F, HAU18H48G, HAU18H48H, HAU18H48J, HAU18H48K)
    Husqvarna YTH 2048 (954567086)
    Husqvarna YTH 2148 (954572035, LO21H48D, LO21H48E, LO21H48F, LO21H48G, LO21H48H, LO21H48J)
    Husqvarna YTH 2148 XP (HAU21H48B, HAU21H48C)
    Husqvarna YTH 2248 (954571977)
    Husqvarna YTH 2448 (279080, 279081, 960130007, 96013000700, 96015000103)
    Husqvarna YTH 2548 (954571984)
    Husqvarna YTH 2748 (96013001000)
    Husqvarna YTH 2754 (96013001000)

    Jonsered
    Jonsered LT 19 (954130063, 954130071, 954130078, JLT19H48A, JLT19H48B, JLT19H48C, JNA19H48A, JNA19H48B)
    Jonsered LT 2119 (J2119AA, JNA19H48B)
    Jonsered LT 2122 (954130214, 96011001100, 96011001101, 960110130, 96011013000, 960110226, 96011022600, J2122AA, J2122AB, J2122AC)

    Vill du söka bland Husqvarna sprängskisser & reservdelar? Använd då vår reservdelskatalog. Tryck här för att komma till reservdelskatalogen. Tänk på att du alltid ska säkerställa att artikelnumret blir rätt med hjälp av sprängskissen för din maskin.
  • Specifikationer
  • Tillverkarens artikelnummer: 532 18 08-08 , 532180808
  • Filer

Andra köpte även

Mutter
28 kr
5836127-01
I lager
Köp
Däck, fram 15X6-6
632 kr
5321220-73
I lager
Köp
Innerslang, 15X6-6
195 kr
5320599-04
I lager
Köp
Mutter
23 kr
5321104-52
I lager
Köp
Kapsel
40 kr
5321053-04
I lager
Köp
Logga in