Paketet innehåller samtliga remmar till åkgräsklipparen Husqvarna Rider 112C - remmarna passar till årsmodeller mellan 2014 och 2020. Det är totalt fyra stycken remmar.
Paketet gäller enbart för årsmodell 2014 till 2020. Du kan även veta att detta paketet passar genom att kontrollera produktnumret som ska vara 9671784-01.
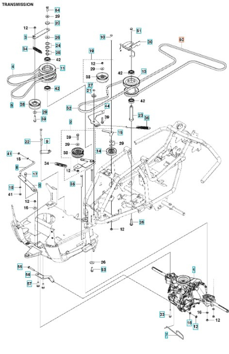
Följande drivremmar ingår i paketet:
- 5895328-01 - Nummer 32 i bild, monteras mellan motor & kraftuttag
- 5895314-01 - Nummer 50 i bild, monteras mellan mellanliggande remhjul till klippaggregat
- 5895617-01 - Nummer 4 i bild, monteras vid transmissionen
- 5895622-01 - Nummer 5 i bild, monteras mellan motor & växellåda
 SV - SEK
SV - SEK 








 
		 
		 
		 
		